Your privacy is very important to us. When you visit our website, please agree to the use of all cookies. For more information about personal data processing, please go to Privacy Policy.

  • 10.2.png
  • 10.2.png

SR

SR Integrated Manifold (Plug-in Type)

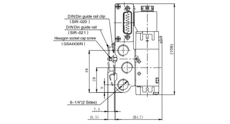
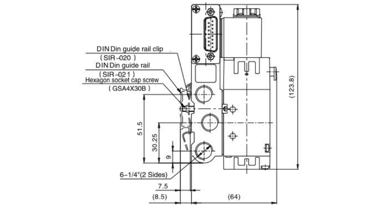
  • Integrated valve manifold, integrated wiring, adopt 15-pin D-Sub connector. COM pin is universal for both positive pole and negative pole ;

  • 5/2 ways single control, 5/2 ways double control, 5/3 ways can be integrated on same valve manifold;

  • Integrated valve manifold own double control core technical patent, initiative design;

  • Each connector with LED, more intuitive;

  • With DIN coils, more convenient in assembling & maintenance, low-power type is optional, achieve energy saving 80%;

  • Newly designed sub-base, installation size same as RV manifold, DIN guide rail assembly on optional.

Product brochure
  • Product specifications

  • Basic parameters

  • Application industry

  • Recommended Products

Product specifications

10.3.jpg

Basic parameters

 
  • 10.4.jpg
    S1R
  • 10.5.jpg
    S1R
  • 10.6.jpg
    S2R
  • 10.7.jpg
    S2R

Recommended Products

The preferred pneumatic brand for import substitution and a reliable strategic partner for equipment manufacturers

a1_img22.jpg

Customized Products, Better Solution

With "Eternal innovation and faithful working", from good to great, we strives to offer more value to all our customers and partners.

Register for the exhibition
  • * I have carefully read and agree to the Privacy Statement
  • Get resources