Your privacy is very important to us. When you visit our website, please agree to the use of all cookies. For more information about personal data processing, please go to Privacy Policy.

  • b1_01.png
  • b1_01.png

ESV

ESV Fieldbus Valve Terminal

  • Compatible Protocols:PROFINET、EtherCAT、EtherNet/IP、DeviceNet and CC-Link.

  • 32 output and 48 output optional.

  • Equipped with two M12 BUS Interface, realize daisy-chain wiring communication, branch connector ls not necessary.

  • System diagnosis,communication error,working life count,short circuit protection,open circuit inspection, opposite connection protection , undervoltage and overvoltage diagnosis.

  • Safe output can be set a any point in module parameter interface.For example, when the bus connection is interrupted, the valve could keep the last condition, or be forced to close or open.

  • The shielded cable has strong anti-interference ability and the communication is stable and reliable. IO-Link:

  • Compatible Protocols:l/O-Link,general-purpose 5-wire unshielded cables are used for connection l/O-Link master and exchange data with PLC.

  • Support hot swap,data is stored in the l/0-LINK master,no need to reconfigure parameters to replace the valve island,The newly replaced is automatically identified and start to work at once,reduce equipment downtime, reduce maintenance costs, and improve production efficiency.

  • Diagnostic functions:system diagnosis,communication error,short circuit protection.

  • Independent of fieldbus,possess strong industrial network compatibility,supply popular fieldbus and industry ethernet.

  • Communication is completely digitally transmitted,reduce the accuracy loss of analog-to-digital conversion,possess strong anti-interference ability.Maximum transmission distance is 20 meters.

Product brochure
  • Product specifications

  • Basic parameters

  • Application industry

  • Related products

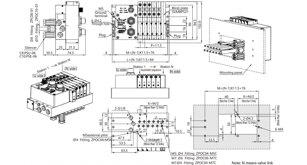
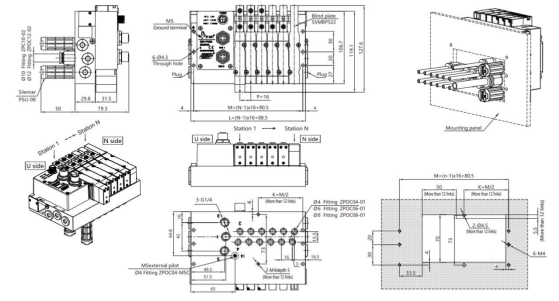
Product specifications

4.1.jpg

Basic parameters

ES1V Valve Terminal
  • 企业微信截图_17604310117543.png
    ES1V top ported
  • 企业微信截图_17604310809202.png
    ES1VM side ported
  • 企业微信截图_17604312138079.png
    ES1VB bottom ported
  • 企业微信截图_17604312786393.png
    ES2V top ported
  • 企业微信截图_1760431333247.png
    ES2VM side ported
  • 企业微信截图_17604313712703.png
    ES2VB bottom ported

Recommended Products

The preferred pneumatic brand for import substitution and a reliable strategic partner for equipment manufacturers

a1_img22.jpg

Customized Products, Better Solution

With "Eternal innovation and faithful working", from good to great, we strives to offer more value to all our customers and partners.

Register for the exhibition
  • * I have carefully read and agree to the Privacy Statement
  • Get resources