Your privacy is very important to us. When you visit our website, please agree to the use of all cookies. For more information about personal data processing, please go to Privacy Policy.

  • b1_03.png
  • b1_03.png

ESVT

ESVT Fieldbus Valve Terminal (IP65 Class)

  • Compatible Protocols: CC-Link、EtherCAT、PROFINET、EtherNet/lP. Profibus-DP、CANopen.

  • 32 output control 32 coil /16 dual control valve positions; 48 output control48 coil/24 dual control valve positions.

Product brochure
  • Product specifications

  • Features

  • Basic parameters

  • Application industry

  • Related products

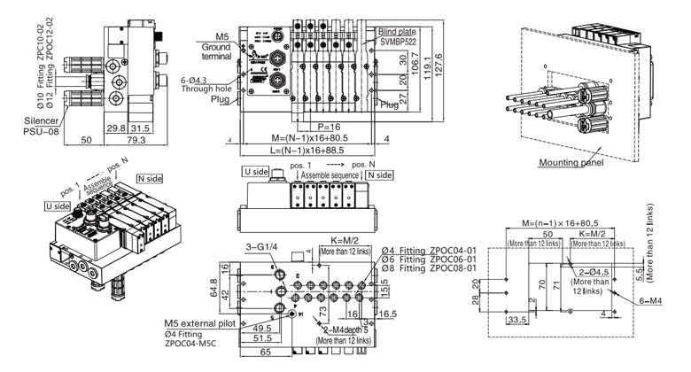
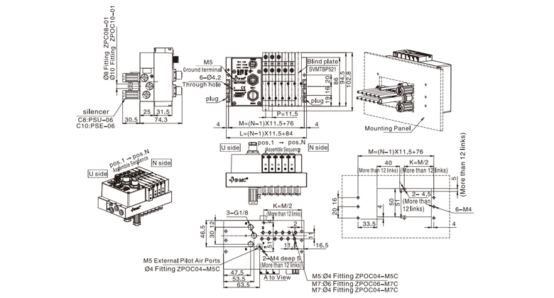
Product specifications

5.1.jpg

Features

  • b1_icon03.svg

    Equipped with two M12 BUS Interface, realize daisy-chain wiring communication, branch connector is not neccessary.

  • b1_icon03.svg

    System diagnosis,communication error,working life count,short circuit protection, open circuit inspection, opposite connection protection, undervoltage and overvoltage diagnosis.

  • b1_icon03.svg

    Safe output can be set at any point in module parameter interface. For example, when the bus connection is interrupted, the valve could keep the last condition, or be forced to close or open.

  • b1_icon03.svg

    The shielded cable has strong anti-interference ability and the communication is stable and reliable.

Basic parameters

 
  • 5.2.jpg
    1 Series-ES1VT top ported
  • 5.3.jpg
    1 Series-ES1VMT side ported
  • 5.4.jpg
    1 Series-ES1VBT Botten Ported
  • 5.5.jpg
    2 Series-ES2VT Top Ported
  • 5.6.jpg
    2 Series-ES2VMT Side Ported
  • 5.7.jpg
    2 Series-ES2VBT bottom ported

Recommended Products

a1_img22.jpg

Customized Products, Better Solution

With "Eternal innovation and faithful working", from good to great, we strives to offer more value to all our customers and partners.

Register for the exhibition
  • * I have carefully read and agree to the Privacy Statement
  • Get resources