Your privacy is very important to us. When you visit our website, please agree to the use of all cookies. For more information about personal data processing, please go to Privacy Policy.

  • 3.2.png
  • 3.2.png

SHR

SHR Series 180°Angular Style Air Gripper

  • Unique design for the opening and closing, effectively preventing foreign objects from entering;

  • Special shutter used between fingers and body, reducing wearing and extending lifetime;

  • 180° opening and closing type, simplify gripping and releasing, avoid workpiece motion space, wider applications;

  • Built-in sensor switch groove, easy for mounting;

  • Multi mounting types, convenient for using under different conditions;

  • All sizes are built with magnet, easy for controlling.

Product brochure
  • Product specifications

  • Basic parameters

  • Application industry

  • Recommended Products

Product specifications

3.3.jpg

Basic parameters

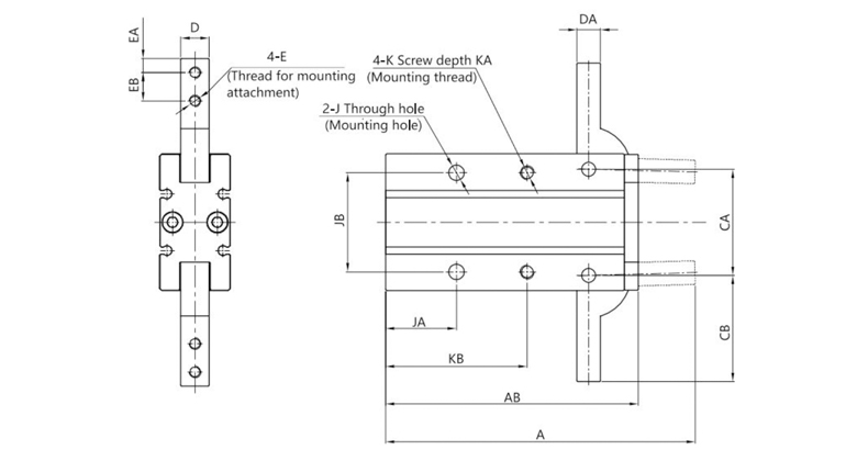
Main Dimension
  • 3.4.jpg
  • 3.5.jpg
  • 3.6.jpg
  • 3.7.jpg
  • 3.8.jpg

Recommended Products

The preferred pneumatic brand for import substitution and a reliable strategic partner for equipment manufacturers

a1_img22.jpg

Customized Products, Better Solution

With "Eternal innovation and faithful working", from good to great, we strives to offer more value to all our customers and partners.

Register for the exhibition
  • * I have carefully read and agree to the Privacy Statement
  • Get resources