Your privacy is very important to us. When you visit our website, please agree to the use of all cookies. For more information about personal data processing, please go to Privacy Policy.

  • 2.2.png
  • 2.2.png

EXLC(V)/G(V)

EXLC(V)/G(V) Series High Vacuum Angle Valve

  • EXLC(V) High Vacuum Angle Valve, featuring a double-acting design, achieves constant pressure sealing, thus suitable for complex client designs without leakage.

  • Hiohly extruded one-piece aluminum aloy valve body, providing high strenath, hardness, and corrosion resistance, extending service life.

  • Long-life stainless steel bellows design,isolating the O-ring inside the valve body from outaassing in a vacuum environment, meeting high vacuum requirements.

  • All-imported fluorocarbon rubber sealing rings, meeting high-quality and long-life design specifications.

  • Offers pilot ports in four directions.

  • Entire series is copper and zinc-free, meeting the high standards ofthe lithium battery and semiconductor industries.

Product brochure
  • Product specifications

  • Basic parameters

  • Application industry

  • Recommended Products

Product specifications

2.3.jpg

Basic parameters

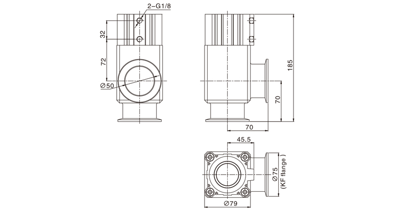
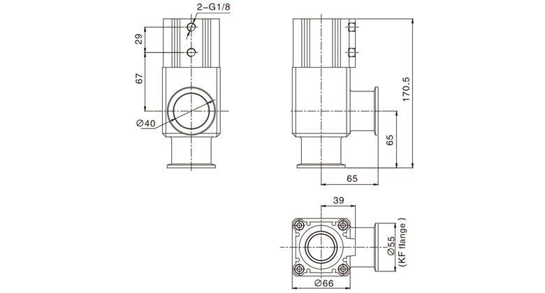
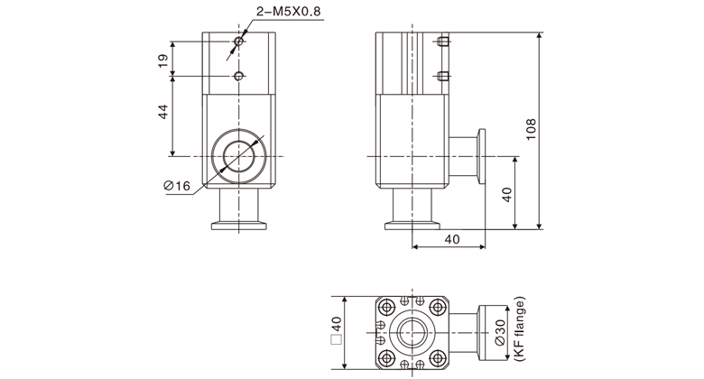
Dimensions
  • 2.4.jpg
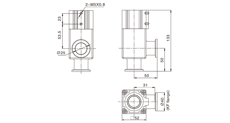
    EXLC/G16
  • 2.5.jpg
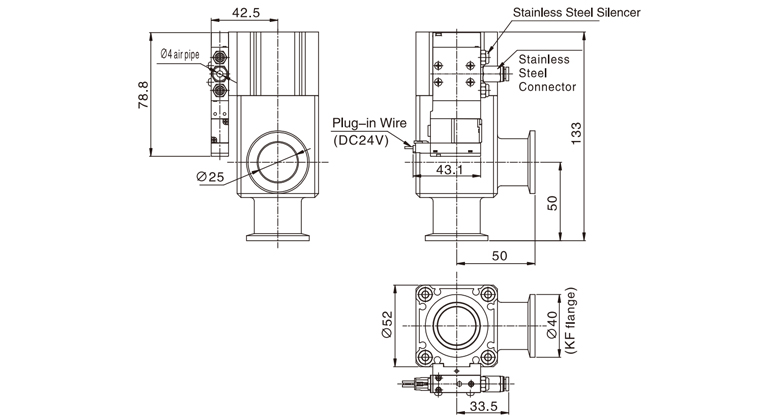
    EXLC/G25
  • 2.6.jpg
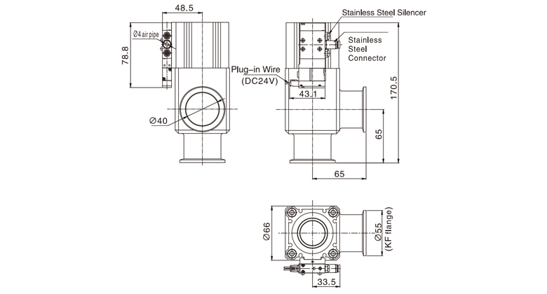
    EXLC/G40
  • 2.7.jpg
    EXLC/G50
  • 2.8.jpg
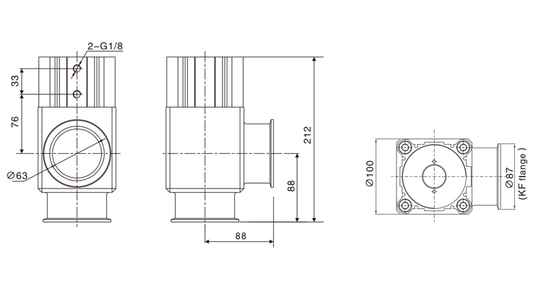
    EXLC/G63
  • 2.9.jpg
    EXLCV/GV16K
  • 2.10.jpg
    EXLCV/GV25K
  • 2.11.jpg
    EXLCV/GV40K
  • 2.12.jpg
    EXLCV/GV50K
  • 2.13.jpg
    EXLCV/GV63K

Recommended Products

The preferred pneumatic brand for import substitution and a reliable strategic partner for equipment manufacturers

a1_img22.jpg

Customized Products, Better Solution

With "Eternal innovation and faithful working", from good to great, we strives to offer more value to all our customers and partners.

Register for the exhibition
  • * I have carefully read and agree to the Privacy Statement
  • Get resources