Your privacy is very important to us. When you visit our website, please agree to the use of all cookies. For more information about personal data processing, please go to Privacy Policy.

  • 2.2.png
  • 2.2.png

ELS

ELS/ELSL Series Slide Cylinder

Product brochure
  • Product specifications

  • Basic parameters

  • Application industry

  • Recommended Products

Product specifications

Bore(mm)6812 162025
Acting TypeDouble Acting
Working MediumClean Air(after 40 μ m filtration)
Working Pressure(MPa)0.15~0.7(MPa)
Guaranteed Pressure(MPa)1.05(MPa)
CushionRubber cushion on both ends、 Shock absorber cushion
Working Temperature(C)-20~70(No Freezing)
Piston Speed(mm/s)50~500
Stroke toleranceStroke≤100+1.0,Stroke>100+1.5
Port SizeM5x0.8G1/8

Basic parameters

Main Dimension
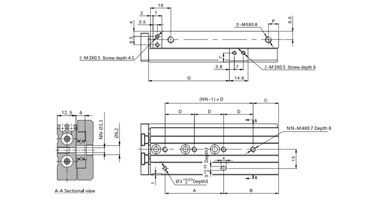
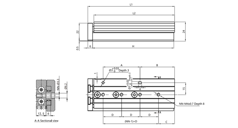
  • 2.3.jpg
    ELS 6
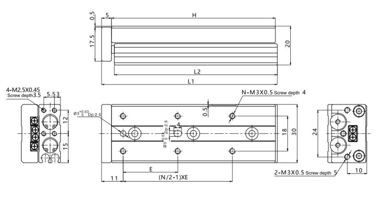
  • 2.4.jpg
    ELS 6
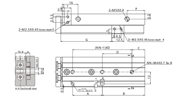
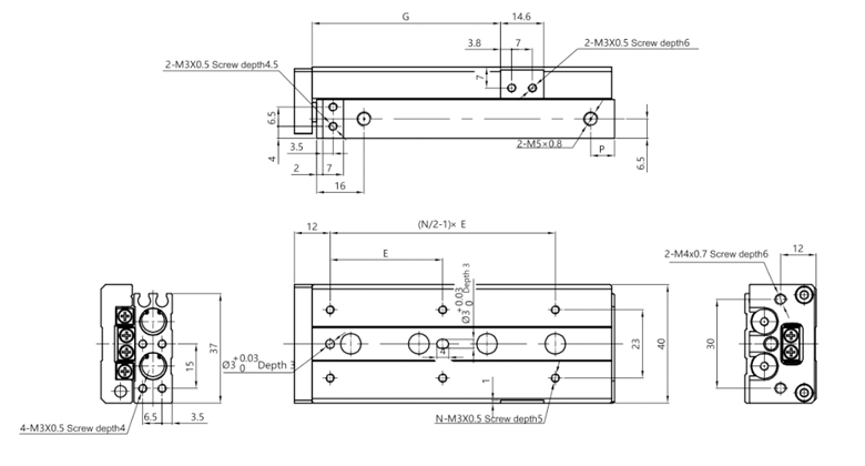
  • 2.5.jpg
    ELSL 6
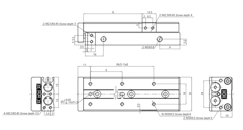
  • 2.6.jpg
    ELSL 6
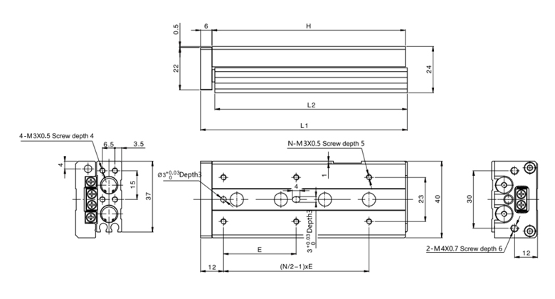
  • 2.7.jpg
    ELS 8
  • 2.8.jpg
    ELS 8
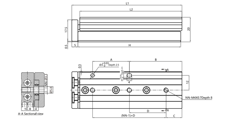
  • 2.9.jpg
    ELSL 8
  • 2.10.jpg
    ELSL 8

Recommended Products

The preferred pneumatic brand for import substitution and a reliable strategic partner for equipment manufacturers

a1_img22.jpg

Customized Products, Better Solution

With "Eternal innovation and faithful working", from good to great, we strives to offer more value to all our customers and partners.

Register for the exhibition
  • * I have carefully read and agree to the Privacy Statement
  • Get resources