Your privacy is very important to us. When you visit our website, please agree to the use of all cookies. For more information about personal data processing, please go to Privacy Policy.

  • 1.2.png
  • 1.2.png

EHR

EHR Series Clean Pressure Regulator

  • Excellent corrosion resistance.

  • The product is oil-free and does not use grease-based parts at all.

  • The diaphragm is made of PTFE and can be used in a variety of working conditions.

  • The product has a non-overflow structure, which facilitates the centralized recoveryof exhaust gases.

  • The product is washed, inspected and double-packed in a class 100 environment.

Product brochure
  • Product specifications

  • Basic parameters

  • Application industry

  • Recommended Products

Product specifications

1.3.png

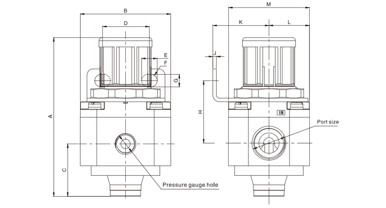
Basic parameters

Main Dimension
  • 1.4.jpg

Recommended Products

The preferred pneumatic brand for import substitution and a reliable strategic partner for equipment manufacturers

a1_img22.jpg

Customized Products, Better Solution

With "Eternal innovation and faithful working", from good to great, we strives to offer more value to all our customers and partners.

Register for the exhibition
  • * I have carefully read and agree to the Privacy Statement
  • Get resources