Your privacy is very important to us. When you visit our website, please agree to the use of all cookies. For more information about personal data processing, please go to Privacy Policy.

  • EZAV-EZA2V-00.png
  • EZAV-EZA2V-00.png

EZAV/EZA2V

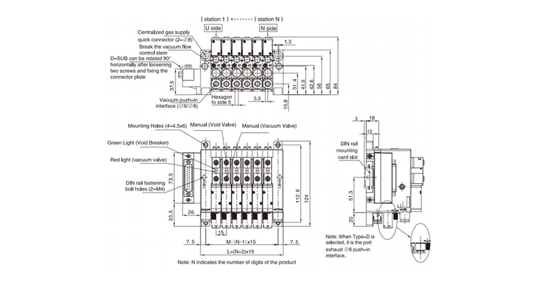
EZAV/EZA2V Integrated Vacuum Generator(Multi-pin Type)

Product brochure
  • Basic parameters

  • Application industry

  • Recommended Products

Basic parameters

Dimensions(mm)
  • EZAV-EZA2V-1.png
    EZAV-N/P with vacuum gauge outline drawing
  • EZAV-EZA2V-2.png
    EZAV-W External vacuum detection outline drawing
  • EZAV-EZA2V-3.png
    EZAV-Outline without vacuum pressure gauge
  • EZAV-EZA2V-4.png
    EZA2V-N/P with vacuum gauge outline drawing

Recommended Products

The preferred pneumatic brand for import substitution and a reliable strategic partner for equipment manufacturers

a1_img22.jpg

Customized Products, Better Solution

With "Eternal innovation and faithful working", from good to great, we strives to offer more value to all our customers and partners.

Register for the exhibition
  • * I have carefully read and agree to the Privacy Statement
  • Get resources