Your privacy is very important to us. When you visit our website, please agree to the use of all cookies. For more information about personal data processing, please go to Privacy Policy.

  • 2.png
  • 2.png

QSC

QSC Flow Control Valve (Precise Type)

  • Compact structure and high precision.

  • Install in several positions to facilitate, installation and application.

  • Apply to exhaust throttle,widely used for cylinder speed adjustment.

Product brochure
  • Product specifications

  • Basic parameters

  • Application

  • Related products

Product specifications

企业微信截图_17613752963121.png

Basic parameters

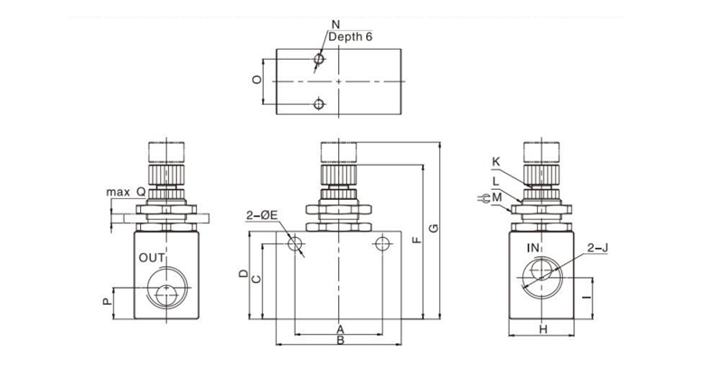
Main Dimension
  • 3.png

Recommended Products

The preferred pneumatic brand for import substitution and a reliable strategic partner for equipment manufacturers

a1_img22.jpg

Customized Products, Better Solution

With "Eternal innovation and faithful working", from good to great, we strives to offer more value to all our customers and partners.

Register for the exhibition
  • * I have carefully read and agree to the Privacy Statement
  • Get resources