Your privacy is very important to us. When you visit our website, please agree to the use of all cookies. For more information about personal data processing, please go to Privacy Policy.

  • 2.2.png
  • 2.2.png

ESWR

ESWR Magnetic Coupled Rodless Cylinder

  • Cylinder with non-rotational design, compact structure and space-saving, compatible with various guidance systems ;

  • External inductive switch seat, simplifying the installation and adjustment of magnetic switches;

  • Double mounting surfaces for the slider, providing users with a variety of installation options;

  • Centralized piping design, simplifying the wiring process to reduce costs, ensuring system safety and ease of maintenance.

Product brochure
  • Product specifications

  • Basic parameters

  • Application industry

  • Recommended Products

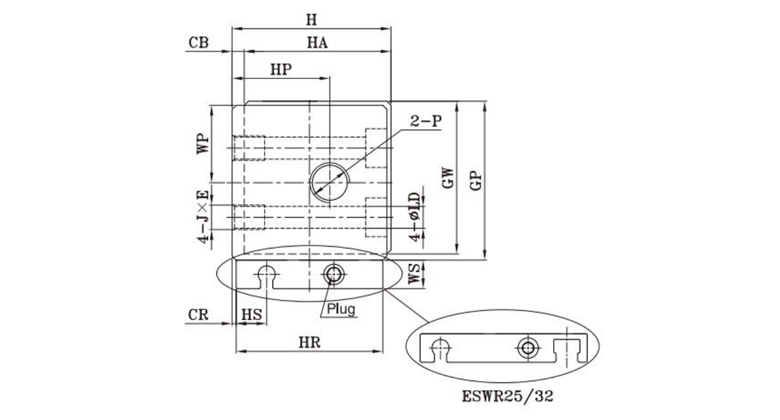
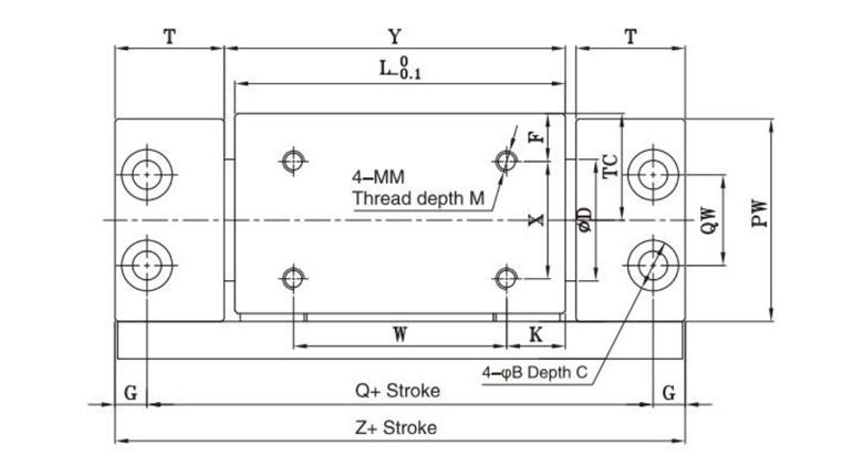
Product specifications

2.3.jpg

Basic parameters

Internal Structure
  • 2.4.jpg
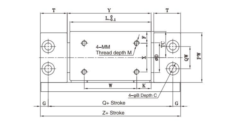
    ESWR Dual pipe fitting type
  • 2.5.jpg
    ESWR Dual pipe fitting type
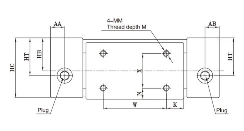
  • 2.6.jpg
    ESWR Dual pipe fitting type
  • 2.7.jpg
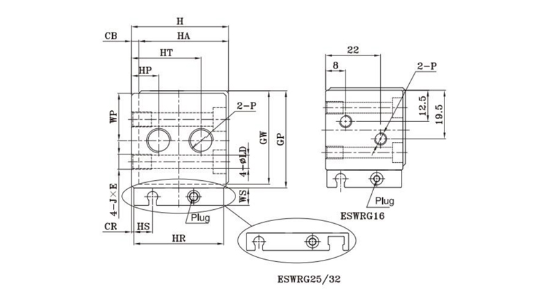
    ESWRG Centralized Piping Type
  • 2.8.jpg
    ESWRG Centralized Piping Type
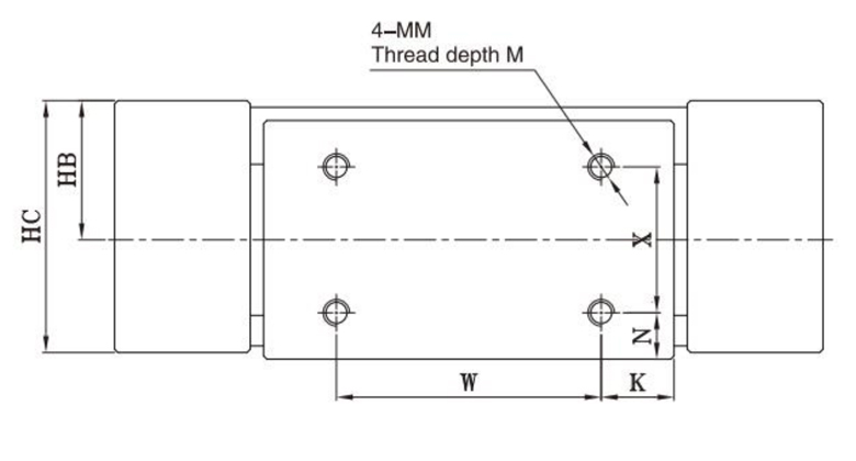
  • 2.9.jpg
    ESWRG Centralized Piping Type

Recommended Products

The preferred pneumatic brand for import substitution and a reliable strategic partner for equipment manufacturers

a1_img22.jpg

Customized Products, Better Solution

With "Eternal innovation and faithful working", from good to great, we strives to offer more value to all our customers and partners.

Register for the exhibition
  • * I have carefully read and agree to the Privacy Statement
  • Get resources