Your privacy is very important to us. When you visit our website, please agree to the use of all cookies. For more information about personal data processing, please go to Privacy Policy.

  • 1.2.png
  • 1.2.png

EN

EN Series Double Shaft Cylinder

  • The double piston rod provides a high degree of resistance to bending and torsion.

  • The service life and excellent steering performance of the cylinder are guaranteed. The assembly groove is reserved outside the body to make the magnetic switch easy to install, fix and adjust the position.

  • Using the embedded installation method, no accessories are required to save space.

  • Simple assembly method is used for design, convenient disassembly and maintenance.

Product brochure
  • Product specifications

  • Basic parameters

  • Application industry

  • Recommended Products

Product specifications

1.3.jpg

Basic parameters

Main Dimension
  • 1.4.jpg
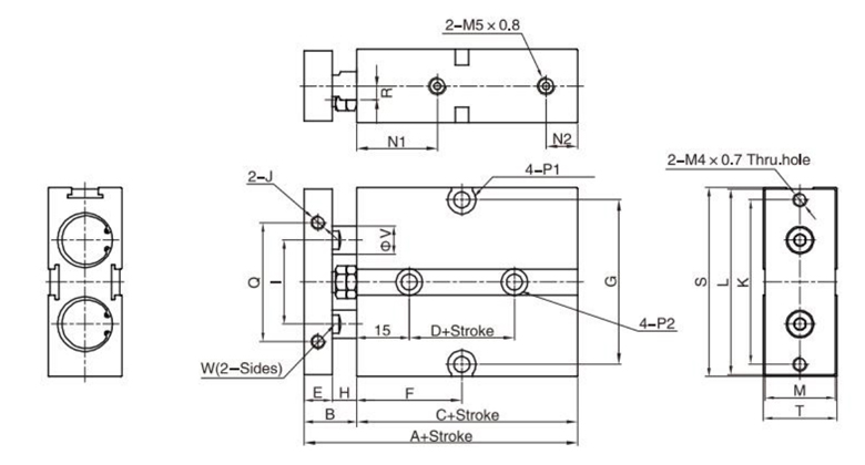
    EN Ф10
  • 1.5.jpg
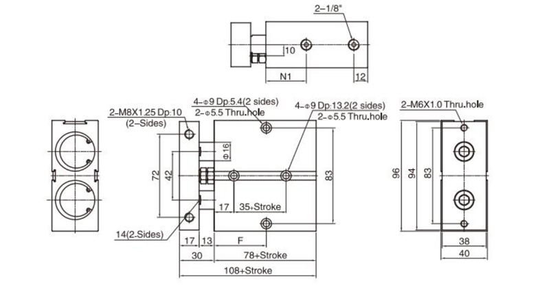
    EN Ф16~25
  • 1.6.jpg
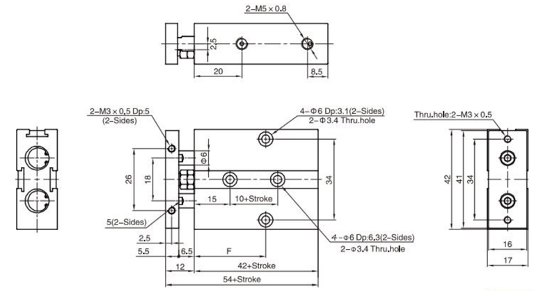
    EN Ф32

Recommended Products

The preferred pneumatic brand for import substitution and a reliable strategic partner for equipment manufacturers

a1_img22.jpg

Customized Products, Better Solution

With "Eternal innovation and faithful working", from good to great, we strives to offer more value to all our customers and partners.

Register for the exhibition
  • * I have carefully read and agree to the Privacy Statement
  • Get resources