Your privacy is very important to us. When you visit our website, please agree to the use of all cookies. For more information about personal data processing, please go to Privacy Policy.

  • 8.2.png
  • 8.2.png

SQN

SQN Series Compact Cylinder

Product brochure
  • Product specifications

  • Basic parameters

  • Application industry

  • Recommended Products

Product specifications

8.3.jpg

Basic parameters

Main Dimension
  • 8.4.jpg
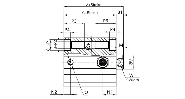
    SQN Ф12-Ф25( No magnet )
  • 8.5.jpg
    SQN Ф12-Ф25( No magnet )
  • 8.6.jpg
    SQNФ16-Ф25(With magnet)
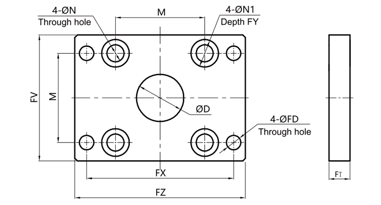
  • 8.7.jpg
    SQNФ32-Ф100
  • 8.8.jpg
    SQNSA Ф12-Ф25( No magnet
  • 8.9.jpg
    SQSB Ф12-Ф25(No magnet )
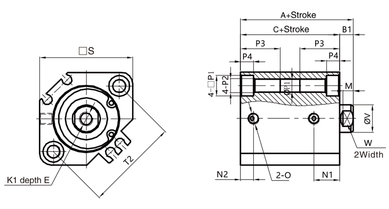
  • 8.10.jpg
    SQNSAФ12-Ф25(With magnet
  • 8.11.jpg
    SQNSB Ф12-Ф25(With magnet )
  • 8.12.jpg
    SQNSAФ32-Ф63
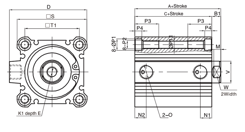
  • 8.13.jpg
    SQNSBФ32-Ф63
  • 8.14.jpg
    SQNDФ12-Ф25(No magnet)
  • 8.15.jpg
    SQNDФ12-Ф25(With magnet)
  • 8.16.jpg
    SQNDФ32-Ф100
  • 8.17.jpg
    SQNJФ12-Ф25(No magnet)
  • 8.18.jpg
    SQNJФ12-Ф25(With magnet)
  • 8.19.jpg
    SQNJФ32-Ф100
  • 8.20.jpg
    Male type dimension
  • 8.21.jpg
    FA

Recommended Products

The preferred pneumatic brand for import substitution and a reliable strategic partner for equipment manufacturers

a1_img22.jpg

Customized Products, Better Solution

With "Eternal innovation and faithful working", from good to great, we strives to offer more value to all our customers and partners.

Register for the exhibition
  • * I have carefully read and agree to the Privacy Statement
  • Get resources